LoRaWAN Controls & Relays for Industrial Automation
LoRaWAN Controls & Relays
ioX-Connect LoRaWAN controls and relays bring wireless automation to your building systems, water infrastructure, and industrial processes. From remote valve shut-off and flow control to multi-channel I/O for equipment monitoring and relay switching, these devices extend your operational reach — without hardwired networks or on-site manual intervention. Each device connects through LoRaWAN gateways to the ioX-Connect platform, giving you centralized visibility, automated response rules via ioX-Pulse, and remote control from anywhere.
Whether you need to automatically shut off a water supply when a leak is detected, remotely activate equipment across a campus, or monitor analog and digital signals from field devices, ioX-Connect offers flexible control options designed for real-world deployment. All devices integrate seamlessly with the ioX-Connect platform for dashboards, alerts, reporting, and long-term data retention.
LoRaWAN I/O Controller
$75
LoRaWAN I/O Controller
Industrial-grade wireless I/O module with analog inputs (0–30 V / 0–20 mA), digital inputs and outputs, and relay outputs. Supports LoRaWAN Class A and Class C for flexible monitoring and control of field equipment, meters, valves, and actuators through the ioX-Connect platform.
Key Highlights
- 2× analog inputs, 2× relay outputs, 2× digital I/O
- Dual-mode: LoRaWAN Class A (power-efficient) and Class C (real-time)
- Wide operating temperature: –40 °C to +85 °C (–40 °F to +185 °F)
- 7–24 V DC power supply with optional IP65 enclosure
Specifications
|
LoRaWAN Version |
v1.0.3 (Class A & C) |
|
Analog Inputs |
2× (0–30 V or 0–20 mA) |
|
Relay Outputs |
2× (5 A @ 250 VAC / 30 VDC) |
|
Digital Outputs |
2× NPN (36 V max, 450 mA) |
|
Digital Inputs |
2× Dual-direction (50 V or 220 V) |
|
Power Supply |
7–24 V DC |
|
Operating Temp |
–40 °C to +85 °C (–40 °F to +185 °F) |
|
Frequency Bands |
US915, EU868, AU915, AS923, IN865, CN470, EU433 |
Best For: industrial machinery control, water/wastewater pump automation, agricultural irrigation, HVAC and lighting control, energy/utility relay switching
LoRaWAN Smart Relay Controller
$36
LoRaWAN Smart Relay
AC-powered single-channel LoRaWAN relay controller with Class C continuous listening for real-time remote switching. Built-in overcurrent, overvoltage, short-circuit, and lightning protection in a fireproof PC enclosure. Designed for remote equipment control, lighting automation, and HVAC switching across commercial and industrial environments.
Key Highlights
- Class C continuous listening — real-time command execution
- 15 A resistive load capacity at 80–275 V AC
- Built-in overcurrent, overvoltage, short-circuit & lightning protection
- Zero-crossing trigger eliminates switching sparks
Specifications
|
Relay Type |
Single-channel, zero-crossing trigger |
|
Operating Voltage |
80–275 V AC |
|
Max Load |
15 A resistive |
|
Terminals |
Dual (2 input Live/Neutral, 2 output Live/Neutral) |
|
Protection |
Overcurrent, overvoltage, short-circuit, lightning, temperature rise |
|
Enclosure |
Fireproof PC material with anti-UV coating |
|
Connectivity |
LoRaWAN v1.0.3, Class C (continuous listening) |
|
Frequency Bands |
US915, EU868, AU915, AS923, IN865, CN470, EU433, KR920 |
|
Firmware Updates |
Wireless OTA supported |
Best For: lighting automation, HVAC switching, greenhouse climate control, hotel room management, production line equipment, smart factory automation
LoRaWAN Wireless Smart Valve
$75
LoRaWAN Wireless Smart Valve
Battery-operated LoRaWAN smart valve with Class C communication, frequency hopping, and adaptive data rate. Designed for automated leak protection and remote water management across commercial and industrial environments. Pair with ioX-Connect water leak sensors for automated shut-off via ioX-Pulse rules.
Key Highlights
- 5–7+ year battery life — fully wireless, no hardwiring
- Automated leak shut-off via ioX-Pulse platform rules
- Industrial-grade brass/SS304 construction, PN50 rated
- Multiple valve sizes: DN15–DN100
Specifications
|
Working Pressure |
1.6 MPa |
|
Open/Close Time |
~16 seconds |
|
Battery |
3.6 V Li-battery (ER18505), 5–7+ years |
|
Fluid Temp |
Up to 240 °C (450 °F) |
|
Valve Sizes |
Brass/SS304: DN15, DN20, DN25 (up to DN100 available) |
|
Connectivity |
LoRaWAN Class C, frequency hopping, ADR |
|
Frequency |
EU868, US915, AS923, IN865 |
Best For: automated leak response, remote water management, multi-site building protection, industrial process fluid isolation
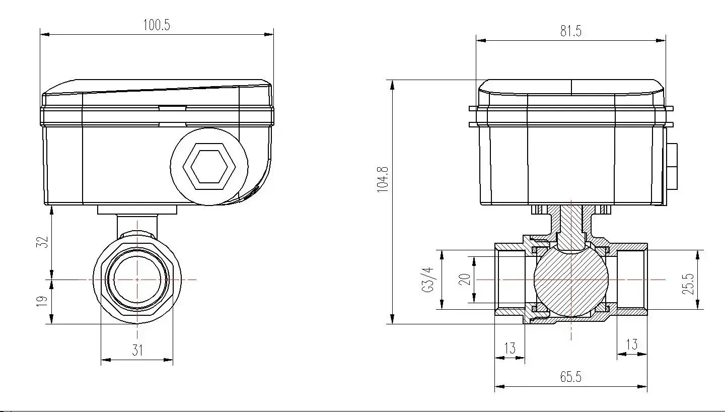
LoRaWAN Motorized Smart Valve
$165
LoRaWAN Motorized Smart Valve
Battery-powered, industrial-grade motorized ball valve with stainless steel construction (SS304/SS316) and IP67 protection. Closes in ≤7 seconds for rapid leak response. Rated for 70,000 operations with manual override for maintenance access.
Key Highlights
- ≤7-second actuation time for rapid emergency shut-off
- 70,000 operation cycle lifespan
- IP67-rated stainless steel construction (SS304/SS316)
- Manual pull-and-twist override with position indicator
Specifications
|
Working Pressure |
1.0 MPa |
|
Open/Close Time |
≤7 seconds |
|
Battery |
2 × AA Lithium Batteries |
|
Valve Sizes |
DN8–DN25 (1/4"–1"), BSP or NPT |
|
Body Material |
SS304 or SS316 Stainless Steel |
|
Protection |
IP67 |
|
Connectivity |
LoRaWAN v1.0.3, Class A (868/915 MHz) |
|
Liquid Temp |
2 °C–90 °C (35.6 °F–194 °F) |
|
Ambient Temp |
–15 °C–50 °C (5 °F–122 °F) |
Best For: building-wide water leak protection, property management, unoccupied buildings, mechanical rooms, remote water tank control
Key Features of ioX-Connect LoRaWAN Controls & Relays
Versatile Control Interfaces
The LoRaWAN I/O Controller offers analog voltage and current inputs, digital inputs and outputs, and relay outputs in a single compact module. This multi-interface design supports a wide range of field equipment — from meters and sensors to pumps, valves, and actuators — without requiring separate devices for each signal type.
Automated Leak Response & Valve Control
ioX-Connect Smart Valves close automatically when paired water leak sensors detect moisture. Automated response rules configured in ioX-Pulse eliminate manual intervention and reduce the time between leak detection and water shut-off from hours to seconds.
Long-Range LoRaWAN Connectivity
All control and relay devices use LoRaWAN technology to communicate reliably over long distances with excellent building penetration. This enables remote control across large campuses, multi-building sites, and remote installations without wired infrastructure.
Flexible Communication Modes
Choose the LoRaWAN class that matches your application. Class A maximizes battery life for periodic reporting. Class C enables near-real-time bidirectional communication for control applications that require immediate response to downlink commands.
Industrial-Grade Construction
From the I/O Controller’s –40 °C to +85 °C (–40 °F to +185 °F) operating range to the Motorized Valve’s IP67-rated stainless steel housing, every device in this category is engineered for reliable operation in demanding commercial and industrial environments.
Seamless ioX-Connect Platform Integration
All controls and relays integrate with ioX-Connect dashboards, alerts, reports, ioX-Pulse automation rules, and APIs for real-time visibility and centralized management. Devices arrive pre-provisioned — power on and they appear in your dashboard automatically.
Remote Control from Anywhere
Open or close valves, activate relays, and monitor I/O status directly from the ioX-Connect dashboard — whether you’re on-site, across town, or managing multiple facilities from a single platform.
Scalable Deployment
Add control devices to your existing LoRaWAN sensor network with negligible impact on gateway capacity. Scale from a single controller or valve to hundreds across multiple sites, all managed from one platform.
Data Sheets:
- LoRaWAN Wireless Smart Valve
- LoRaWAN Motorized Smart Valve
- LoRaWAN Smart Relay Controller
OTHER DOCUMENTS:
Wireless Control and Automation with Dependable, Long-Range Connectivity
Building-Wide Water Leak Protection
Install Smart Valves on main water supply lines and deploy ioX-Connect water leak sensors across floors, mechanical rooms, and critical zones. When any sensor detects water, ioX-Pulse triggers the valve to close automatically — stopping flow to the entire building before damage spreads.
Industrial Process Automation & Equipment Control
Use the I/O Controller to monitor analog signals from meters, sensors, and transducers while switching relay outputs to activate pumps, motors, or actuators. Automate process sequences through ioX-Pulse rules or trigger actions manually from the ioX-Connect dashboard.
Agricultural Irrigation Management
Deploy I/O Controllers to manage irrigation valves, monitor soil moisture sensors, and schedule watering cycles remotely. LoRaWAN’s long range covers large agricultural sites without wired infrastructure.
HVAC, Lighting & Building Automation
Control HVAC dampers, fans, lighting circuits, and other building systems through relay outputs on the I/O Controller. Integrate with environmental sensors for temperature-based or occupancy-based automation rules.
Multi-Site Property Management
Property managers overseeing multiple buildings can deploy Smart Valves and I/O Controllers across their entire portfolio and monitor device status from a single ioX-Connect dashboard. Each building gets automated protection without requiring on-site staff for every incident.
Water and Wastewater System Control
Automate pump stations, valve sequencing, and flow control in water treatment and distribution systems. Monitor pressure, flow, and level sensors through analog inputs while controlling equipment through relay outputs — all over LoRaWAN.
Remote Equipment and Utility Control
For facilities with remote equipment, tanks, or utility infrastructure that is difficult to reach quickly, LoRaWAN controls enable remote operation without dispatching a technician. LoRaWAN’s long range (up to 10 km line-of-sight) makes it viable for campus-scale and rural installations.
Why Choose ioX-Connect LoRaWAN Controls & Relays?
ioX-Connect LoRaWAN controls and relays are engineered to deliver automated response, remote equipment control, and wireless I/O for commercial, industrial, and multi-site environments. Designed for real-world operational conditions, these devices combine industrial-grade construction with long-range wireless connectivity — enabling scalable automation without the complexity of hardwired control systems or manual intervention.
From protecting a single building against water leaks to automating industrial processes across hundreds of sites, ioX-Connect controls and relays provide the reliability, flexibility, and platform integration required to turn reactive operations into proactive, automated management.
HOW IT WORKS
Step 1: Deploy LoRaWAN Controls & Relays: Install your I/O Controllers, Smart Valves, or Motorized Valves at the locations you need to monitor and control. Connect field equipment to I/O interfaces or install valves on water supply lines — no complex wiring infrastructure required.
Step 2: Connect via LoRaWAN Gateway: Devices securely send data and receive commands over long distances through a LoRaWAN gateway — no local servers, wired networks, or IT infrastructure needed at the device location.
Step 3: Configure Automation Rules in ioX-Pulse: Set up automated response rules: close a valve when a leak sensor triggers, activate a relay when a temperature threshold is exceeded, or schedule equipment on/off cycles - all through the ioX-Pulse rules engine.
Step 4: Monitor, Control & Respond from ioX-Connect: View real-time device status, send manual commands, receive alerts, analyze trends, and generate reports through the ioX-Connect platform — accessible from anywhere.

Wireless Control Without Hardwiring
Deploy control and relay devices anywhere within LoRaWAN range without running electrical conduit, signal cables, or network wiring. Battery-powered Smart Valves and DC-powered I/O Controllers simplify installation and reduce deployment time.
Automated Response, Zero Manual Intervention
Smart Valves close automatically when leak sensors detect water. I/O Controllers trigger relay outputs based on sensor thresholds. ioX-Pulse rules handle automated responses 24/7 — including after hours, weekends, and holidays.
Industrial-Grade Durability
Stainless steel valve bodies, IP67 protection, and –40 °C to +85 °C (–40 °F to +185 °F) operating ranges. Built for years of reliable service in commercial and industrial environments.
Unified Platform Visibility
Monitor all controllers, valves, sensors, and alerts from a single ioX-Connect dashboard. Centralized management across buildings, sites, and regions — no switching between tools or platforms.
Trusted by customers across multiple industries
Frequently Asked Questions
Please reach out to us at: sales@iox-connect.com if you have any additional questions that are not addressed below.
ioX-Connect offers four LoRaWAN control devices: the I/O Controller (a multi-interface industrial module with analog inputs, digital I/O, and relay outputs), the Smart Relay Controller (an AC-powered Class C single-channel relay for remote switching of equipment and lighting), the Wireless Smart Valve (a battery-operated Class C valve for automated leak protection with 5–7+ year battery life), and the Motorized Smart Valve (a battery-powered Class A valve with ≤7-second actuation and IP67 stainless steel construction). All devices integrate with the ioX-Connect platform for remote monitoring, control, and automation.
The I/O Controller is a general-purpose wireless control module that monitors analog and digital signals and switches relay outputs — suitable for a wide range of industrial and building automation applications. The Smart Valves are purpose-built for water system control: they open and close water supply lines either remotely or automatically in response to leak sensor alerts configured through ioX-Pulse rules.
Yes. Both Smart Valve models integrate with ioX-Connect water leak sensors through the ioX-Pulse rules engine. When a leak sensor detects water, ioX-Pulse automatically sends a downlink command to close the valve — no manual intervention or custom scripting required.
The Wireless Smart Valve uses LoRaWAN Class C communication, supports larger pipe sizes (up to DN100), handles fluid temperatures up to 240 °C (450 °F), and actuates in ~16 seconds. The Motorized Smart Valve uses Class A communication, actuates in ≤7 seconds, features IP67-rated SS304/SS316 stainless steel construction, and is available in DN8–DN25 sizes. The Motorized Valve is designed specifically for water systems.
Yes. All ioX-Connect LoRaWAN controls and relays require a LoRaWAN gateway and an active ioX-Connect software subscription. We recommend our pre-provisioned LoRaWAN gateways, which arrive fully configured for the platform.
Yes. You can send commands directly from the ioX-Connect dashboard at any time — open/close a valve, activate a relay output, or read an I/O status. Automated rules via ioX-Pulse are an additional capability, but manual remote control is always available.
The I/O Controller operates on 7–24 V DC external power. The Smart Relay Controller is AC-powered (80–275 V AC), drawing power from the same supply as the connected equipment. The Wireless Smart Valve runs on a 3.6 V lithium battery (5–7+ year life). The Motorized Smart Valve uses 2× AA lithium batteries. No AC power or hardwiring is required for the Smart Valves.
Our Products and Services
We're here to help, do not hesitate to reach out to us by scheduling a quick call with one of our consultants.
Contact Us
Our customer service representative helps you to understand what we offer for your business goals.
